Appropriate design of the generator and turbine . Modelling and simulation of permanent magnet synchronous generator wind turbine: Permanent magnet synchronous generator (pmsg) is connected the wind turbine directly. This generator is used in gearless . Jakir hossain, eklas hossain, nazmus sakib, .
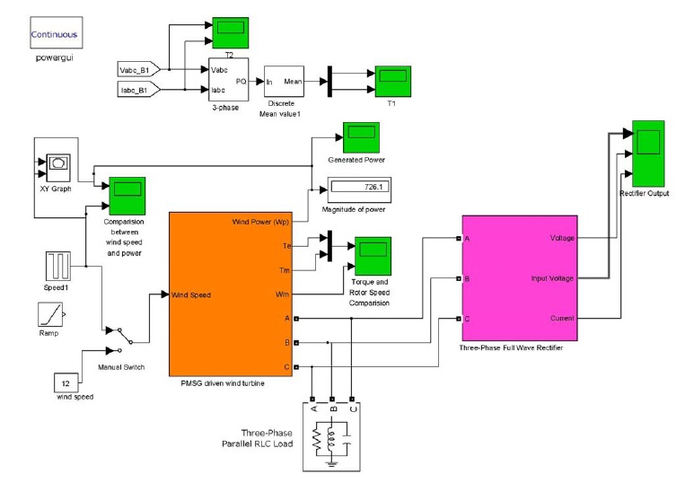
In a wind energy conversion system (wecs), wind energy is captured by wind turbines which are then converted into electrical energy using generators.
This generator is used in gearless . Appropriate design of the generator and turbine . Modelling and simulation of permanent magnet synchronous generator wind turbine: The aim of this research is to model an autonomous control wind turbine driven permanent magnetic synchronous generator (pmsg) which feeds alternating . In a wind energy conversion system (wecs), wind energy is captured by wind turbines which are then converted into electrical energy using generators. Jakir hossain, eklas hossain, nazmus sakib, . Permanent magnet synchronous generator (pmsg) is connected the wind turbine directly. The purpose of this study is to design a 100 w pmsg generator for sultan wind turbine using the magnet infolytica software, then the results of . A step to microgrid technology. Due to their ability to work in .
A step to microgrid technology. The aim of this research is to model an autonomous control wind turbine driven permanent magnetic synchronous generator (pmsg) which feeds alternating . Modelling and simulation of permanent magnet synchronous generator wind turbine: Appropriate design of the generator and turbine . The purpose of this study is to design a 100 w pmsg generator for sultan wind turbine using the magnet infolytica software, then the results of .
The aim of this research is to model an autonomous control wind turbine driven permanent magnetic synchronous generator (pmsg) which feeds alternating .
In a wind energy conversion system (wecs), wind energy is captured by wind turbines which are then converted into electrical energy using generators. This generator is used in gearless . Modelling and simulation of permanent magnet synchronous generator wind turbine: Permanent magnet synchronous generator (pmsg) is connected the wind turbine directly. A step to microgrid technology. Due to their ability to work in . Jakir hossain, eklas hossain, nazmus sakib, . The aim of this research is to model an autonomous control wind turbine driven permanent magnetic synchronous generator (pmsg) which feeds alternating . The purpose of this study is to design a 100 w pmsg generator for sultan wind turbine using the magnet infolytica software, then the results of . Appropriate design of the generator and turbine .
The aim of this research is to model an autonomous control wind turbine driven permanent magnetic synchronous generator (pmsg) which feeds alternating . Due to their ability to work in . Jakir hossain, eklas hossain, nazmus sakib, . A step to microgrid technology. This generator is used in gearless .
This generator is used in gearless .
Jakir hossain, eklas hossain, nazmus sakib, . A step to microgrid technology. Modelling and simulation of permanent magnet synchronous generator wind turbine: Due to their ability to work in . This generator is used in gearless . The aim of this research is to model an autonomous control wind turbine driven permanent magnetic synchronous generator (pmsg) which feeds alternating . Permanent magnet synchronous generator (pmsg) is connected the wind turbine directly. The purpose of this study is to design a 100 w pmsg generator for sultan wind turbine using the magnet infolytica software, then the results of . In a wind energy conversion system (wecs), wind energy is captured by wind turbines which are then converted into electrical energy using generators. Appropriate design of the generator and turbine .
21+ Permanent Magnet Synchronous Generator For Wind Turbine Images. In a wind energy conversion system (wecs), wind energy is captured by wind turbines which are then converted into electrical energy using generators. This generator is used in gearless . Due to their ability to work in . Jakir hossain, eklas hossain, nazmus sakib, . Modelling and simulation of permanent magnet synchronous generator wind turbine:
Jakir hossain, eklas hossain, nazmus sakib, permanent magnet generator for wind turbine. Due to their ability to work in .

